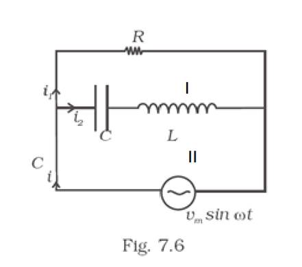
Consider the LCR circuit shown in Fig 7.6. Find the net current i and the phase of i. Show that
. Find the impedance Z for this circuit.

Given:
Current flowing through C and L : i2
Current flowing through R : i1
Supply AC voltage: v=vmsinωt
Formula used:
We know the equation for LCR circuit![]()
Here, L is the inductance, di/dt is the rate of flow of current, R is the resistance, q is the charge, C is the capacitance and V is the AC voltage.
For first branch (I) consisting resistor R,![]()
![]()
i1 is the current in the first branch and R is the resistance.
For the Second branch (II) consisting of Inductor and Capacitor,![]()
Here, q2 is the charge due to current i2.
We know that, A.C value of charge is![]()
qm is the maximum charge due to maximum current im and ϕ is the phase of the circuit. Substituting value of q2 we get.![]()
![]()
If phase is zero then, ϕ =0
![]()

Thus current through branch 2: i2 = dq2/dt![]()
![]()
As i1 and i2 have sin and cos terms respectively, we say that both are 90° out of phase. At ϕ =0
Also, total current would be: i=i1+i2
Let us use trigonometric property
Let![]()
And
![]()
Here A = ((Acosϕ)2+(Asinϕ )2)1/2![]()

Hence is the expression for total current.
Impedance is given as![]()
V is the voltage and I is the current.

Hence is the expression for impedance of the given circuit.