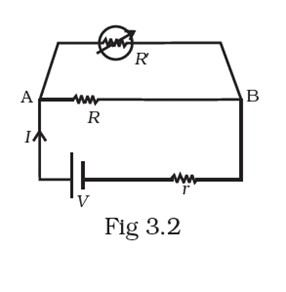
Consider a simple circuit shown in Fig 3.2.
variable resistance R’. R’ can vary from R0 to infinity. r is internal resistance of the battery (r<<R<<R0).

The potential drop across resistances in parallel connection is same but the current varies. As R and R’ are in parallel connection, potential drop across AB will not change if we vary R’. So option (a) is correct. As current depends inversely on equivalent resistance, it will change. So option (b) is incorrect.
For any parallel connection of resistances, the equivalent resistance is smaller than smallest resistance present in the connection. So, a parallel combination of R’ and R would give a resistance that is smaller than R. This means the total equivalent resistance would be always less than or equal to r+R.
![]()
Hence option (a) and(d) are correct.