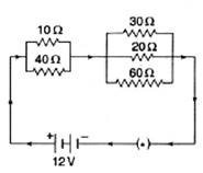
In the circuit diagram given below five resistances of 10 Ω, 40 Ω, 30 Ω, 20 Ω and 60 Ω are connected as shown to a 12 V battery.

Calculate:
(a) total resistance in the circuit.
(b) total current flowing in the circuit.
(a) when three resistors are connected in parallel, the net resistance can be obtained as followed
![]()
The resistance of 30 ohm, 20 ohm and 60 ohm are connected in parallel. therefore, the net resistance R will be
----------------------- (1)
The resistance of 10 ohm and 60 ohm are connected in parallel. Therefore, the net resistance R will be
![]()
![]()
Now R1 and R2 are connected in series
So total resistance in the circuit is R = 10+8 =18 ohm
(b) Total current flowing in the circuit
![]()